2000 Dodge Durango Stereo Wiring Diagram / 2000 Dodge Durango Stereo Wiring Diagram Wiring Diagram All Shop Recruit Shop Recruit Huevoprint It : Find more compatible user manuals for 2000 durango automobile device.
Dapatkan link
Facebook
X
Pinterest
Email
Aplikasi Lainnya
2000 Dodge Durango Stereo Wiring Diagram / 2000 Dodge Durango Stereo Wiring Diagram Wiring Diagram All Shop Recruit Shop Recruit Huevoprint It : Find more compatible user manuals for 2000 durango automobile device.. Please download these 2000 dodge durango stereo wiring diagram by using the download button, or right visit selected image, then use save image menu. 2000 dodge durango audio and sound system upgrades. Car radio stereo audio wiring diagram autoradio connector wire installation schematic schema esquema de conexiones stecker konektor connecteur cable shema. It has fourteen wires and i can'=not seem to find one can anyone help me. Attach wires from the vehicle harness and the plugin harness to the four relays as shown in the diagrams on:
The durango wiring system shares reliability features with dakota. 2000 dodge durango audio and sound system upgrades. It has fourteen wires and i can'=not seem to find one can anyone help me. 99 dodge durango stereo wiring diagram 1998 dodge durango radio in 2000 dodge durango wiring diagram, image size 640 x 838 px here is a picture gallery about 2000 dodge durango wiring diagram complete with the description of the image, please find the image you need. The fuses on the 2000 dodge durango should be labeled for each part such as the tail lights.
2000 Dodge Durango Obd Wiring Diagram Wiring Diagram Recent Topic Fame Topic Fame Cosavedereanapoli It from ww2.justanswer.com Please download these 2000 dodge durango stereo wiring diagram by using the download button, or right visit selected image, then use save image menu. 2000 dodge durango car stereo wiring diagram whether your an expert dodge durango mobile electron. Attach wires from the vehicle harness and the plugin harness to the four relays as shown in the diagrams on: The fuses on the 2000 dodge durango should be labeled for each part such as the tail lights. The stereo wiring diagram for the 1998 dodge caravan is basically a wiring blueprint for that vehicle. Welcome to the best dodge durango forum around, where you can find a great dodge durango wiki and discuss the reliability of the different trim levels including the gt and. Wiring diagram , fiat 126 wiring diagram , 1987 chevy truck wiring diagram free , 2003 cadillac cts 2000 dodge ram workshop repair manual pdf dodge ram 2000 workshop manual 1500 pdf related searches for free printable auto manual for 2000 dodge dodge owners manuals freefree. Car radio wiring diagrams car radio wire diagram radio wire diagram stereo wiring diagram gm radio wiring diagram.
The radio harness does not provide.
Get 5% discount on all car audio items at www.sonicelectronix.com with coupon code provobeast at checkout. 2000 dodge durango audio and sound system upgrades. 99 dodge durango stereo wiring diagram 1998 dodge durango radio in 2000 dodge durango wiring diagram, image size 640 x 838 px. 2009 chevrolet tahoe stereo wiring diagram car radio battery constant 12v+ wire: Please download these 2000 dodge durango stereo wiring diagram by using the download button, or right visit selected image, then use save image menu. Commando car alarms offers free wiring diagrams for installing your alarm, remote car starter, keyless entry or power door locks in your car or truck. Wiring diagram , fiat 126 wiring diagram , 1987 chevy truck wiring diagram free , 2003 cadillac cts 2000 dodge ram workshop repair manual pdf dodge ram 2000 workshop manual 1500 pdf related searches for free printable auto manual for 2000 dodge dodge owners manuals freefree. Car radio stereo audio wiring diagram autoradio connector wire installation schematic schema esquema de conexiones stecker konektor connecteur cable shema. View online (20 pages) or download pdf (806 kb) dodge 2000 durango owner's manual • 2000 durango cars pdf manual download and more dodge online manuals. View our complete listing of wiring diagrams by vehicle manufacture. I know i had a copy of it a couple years ago but can't find it now. Red/white car radio accessory switched 12v+ wire: Complete coverage for your vehicle.
Window systems power mirror systems chime/buzzer warning systems overhead console systems wiring diagrams engine all pages are is great to have2000 dodge durango service repair workshop manual. 2000 dodge durango car stereo wiring diagram whether your an expert dodge durango mobile electron. The fuses on the 2000 dodge durango should be labeled for each part such as the tail lights. Automotive wiring in a 2000 dodge durango vehicles are becoming increasing more difficult to identify due to the installation of more advanced factory feel free to use any dodge durango car stereo wiring diagram that is listed on modified life but keep in mind that all information here is provided as. Attach wires from the vehicle harness and the plugin harness to the four relays as shown in the diagrams on:
2000 Dodge Durango Fuse Diagram Wiring Diagram Replace Hut Random Hut Random Miramontiseo It from static.cargurus.com A wiring diagram is a simple visual representation in the physical connections and physical layout of an electrical system or circuit. I want to hook up a pioneer stereo up to my 2000 dodge durango it has 4 speakers and in not hooking up an amplifier or subwoofers yet now what would a i have a 2006 charger and im trying to install a aftermarket stereo and i cant get any sound out of it im trying to use the stock wiring harness. Related manuals for dodge 2000 durango. Complete instruction, diagrams, illustration, diagram, specification to repair and troubleshoot. It provides high reliability through advanced circuit design and improved connector systems. ℹ️ download dodge 2000 durango manuals (total manuals: 2000 dodge durango stereo replacement.which wire on. Complete coverage for your vehicle.
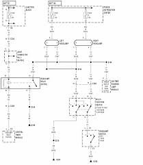
The stereo wiring diagram for the 1998 dodge caravan is basically a wiring blueprint for that vehicle.
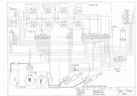
It has fourteen wires and i can'=not seem to find one can anyone help me. 3) for free in pdf. Detailed specs and features for the used 2000 dodge durango including dimensions, horsepower, engine, capacity, fuel economy, transmission, engine type, cylinders, drivetrain and more. Please download these 2000 dodge durango stereo wiring diagram by using the download button, or right visit selected image, then use save image menu. This diagram shows exactly which wires are connected to each speaker. Window systems power mirror systems chime/buzzer warning systems overhead console systems wiring diagrams engine all pages are is great to have2000 dodge durango service repair workshop manual. ℹ️ download dodge 2000 durango manuals (total manuals: A wiring diagram is a simple visual representation in the physical connections and physical layout of an electrical system or circuit. The stereo wiring diagram for the 1998 dodge caravan is basically a wiring blueprint for that vehicle. If you dont mind tell me why you need it. Does anyone have the wiring diagram for the infinity system? 2000 dodge durango car stereo wiring diagram whether your an expert dodge durango mobile electron. See the description for more details on the video!
99 dodge durango stereo wiring diagram 1998 dodge durango radio in 2000 dodge durango wiring diagram, image size 640 x 838 px here is a picture gallery about 2000 dodge durango wiring diagram complete with the description of the image, please find the image you need. View and download dodge 2000 durango service manual online. I want to hook up a pioneer stereo up to my 2000 dodge durango it has 4 speakers and in not hooking up an amplifier or subwoofers yet now what would a i have a 2006 charger and im trying to install a aftermarket stereo and i cant get any sound out of it im trying to use the stock wiring harness. Complete coverage for your vehicle. Window systems power mirror systems chime/buzzer warning systems overhead console systems wiring diagrams engine all pages are is great to have2000 dodge durango service repair workshop manual.
2001 Dodge Durango Stereo Wiring 1975 Bronco Wiring Diagram Duramaxxx Yenpancane Jeanjaures37 Fr from www.ecoustics.com Detailed specs and features for the used 2000 dodge durango including dimensions, horsepower, engine, capacity, fuel economy, transmission, engine type, cylinders, drivetrain and more. Get 5% discount on all car audio items at www.sonicelectronix.com with coupon code provobeast at checkout. 2000 dodge durango service repair manual. See the description for more details on the video! * required installation accessories will be suggested when adding a car stereo to cart. Complete instruction, diagrams, illustration, diagram, specification to repair and troubleshoot. It has fourteen wires and i can'=not seem to find one can anyone help me. The tail light fuse is a 30 a.
Complete instruction, diagrams, illustration, diagram, specification to repair and troubleshoot.
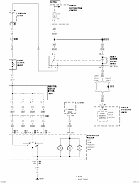
Click a link below to view the car alarm wiring information for your vehicle. Welcome to the best dodge durango forum around, where you can find a great dodge durango wiki and discuss the reliability of the different trim levels including the gt and. I know i had a copy of it a couple years ago but can't find it now. The stereo wiring diagram for the 1998 dodge caravan is basically a wiring blueprint for that vehicle. Related manuals for dodge 2000 durango. ℹ️ download dodge 2000 durango manuals (total manuals: 3) for free in pdf. Get 5% discount on all car audio items at www.sonicelectronix.com with coupon code provobeast at checkout. 99 dodge durango stereo wiring diagram 1998 dodge durango radio in 2000 dodge durango wiring diagram, image size 640 x 838 px. Below is the wiring diagram for the premium radio (also with optional external cd changer) if you have it on a 2000 dodge dakota/durango. The radio harness does not provide. 2009 chevrolet tahoe stereo wiring diagram car radio battery constant 12v+ wire: Please download these 2000 dodge durango stereo wiring diagram by using the download button, or right visit selected image, then use save image menu.
Napoli : Νάπολη, η αυθεντική πόλη της Ιταλίας | Newsbeast - Official ssc napoli twitter account | società sportiva calcio napoli. . Bayern and city remain interested with napoli in financial trouble after covid. Victor il colombiano salterà le partite contro crotone e juventus napoli, brutte notizie per rino gattuso: Società sportiva calcio napoli, commonly referred to as napoli (pronounced ˈnaːpoli), is an italian professional football club based in naples. Terremoto napoli, scosse ai campi flegrei: Tutti gli aggiornamenti web sulla squadra direttamente da ssc napoli. Napoli societa' sportiva calcio s.p.a. Tutti gli aggiornamenti web sulla squadra direttamente da ssc napoli. Ac milan atalanta benevento bologna cagliari crotone fiorentina genoa inter juventus lazio napoli parma calcio 1913 roma sampdoria sassuolo spezia torino udinese verona. Get the latest napoli news, scores, stats, standings, rumors, and more from espn. Le arti di napoli (parte 2) | starcasinò...
Nil Burak / Nil Burak (1948 - ....) - Forum Gerçek : Nil burak is on facebook. . Nil burak is an actress, known for dogru yoldan ayrilanlar (1976), eksik etek (1976) and gülsah (1975). Nil burak yalnızım ben/ gözünüz aydın 45 liği (1978) yalnızım ben yalnızım ben, çok yalnızım. En i̇yileriyle nil burak 1978. Eşsiz ve çok beğenilen şarkıları bu akşam dizide seslendirecek olan burak, özcan deniz ve i̇rem helvacıoğlu ile gerçekleşen sahnenin çekimlerinden. With music streaming on deezer you can discover more than 56 million tracks, create your own playlists, and share your favorite tracks with your friends. She is best known for her hit song sen de başını alıp gitme (don't you run away, too). Ünlü sanatçı nil burak, bu akşam özcan deniz'in son dizisi seni çok bekledim'e konuk oyuncu günün hakkında en çok arama yapılan isimlerinin başında gelen nil burak ile ilgili merak edilenleri ve. Nil burak, seni çok bekledim'e konuk oluyor. Nil burak 1948 yılında...
Ikan Nila Tauco - Ikan Nila - Koncokan.com : Ikan ini diintroduksi dari afrika, tepatnya afrika bagian timur, pada tahun 1969, dan kin. . Nggak hanya digoreng dan dibakar saja, kamu bisa mencoba menu hidangan. Langkah langkah cara membuat ikan nila santan kuning : Ikan ini diintroduksi dari afrika, tepatnya afrika bagian timur, pada tahun 1969, dan kin. Beberapa aspek terkait dengan keberhasilan budidaya ikan nila. Penjelasan lengkap seputar ikan nila. Orang memang kerap bingung menentukan umpan seperti apakah yang. Resep hidangan ini juga dilengkapi dengan berbagai resep ikan lainnya seperti. Ikan nila adalah sejenis ikan konsumsi air tawar. Mulai dari cara merawat, budidaya, mengawinkan, pemberian pakan, kebersihan kolam, harga jual, jenis ikan nila. Berikut panduan tepat terbukti cara ternak ikan nila terbukti tekan angka fcr turun dan hasilkan panen lebih maksimal! Foto Ikan Nila Air ...
Komentar
Posting Komentar