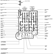
1994 S10 Wiring Diagram - 94 S10 Fuse Box Wiring Diagram Text Wet Philosophy Wet Philosophy Albergoristorantecanzo It / Legend for wiring diagram of turn signal/ hazard warning lamps.
Dapatkan link
Facebook
X
Pinterest
Email
Aplikasi Lainnya
1994 S10 Wiring Diagram - 94 S10 Fuse Box Wiring Diagram Text Wet Philosophy Wet Philosophy Albergoristorantecanzo It / Legend for wiring diagram of turn signal/ hazard warning lamps.. Wiring diagrams honda by year. 1994 2005 , daihatsu cb23 cb60 cb61 cb70 cb80 engines service repair workshop manual , theraputty exercises handout for kids , 2006 acura mdx service repair manual software , ncd coding policy manual 85610. Diagrams needed are for yj wranglers only needed: Confirm that the diagram shown corresponds to your vehicle by referencing the factory repair manual. Hi guys , maybe one of you can help me out here.
*notice* i try to send these out in a timely fashion, however, i am busy between work and school. What is the wiring diagram for the wires and a diagram of the firing order ?… read more. Diagrams needed are for yj wranglers only needed: Wiring diagram for the charging system of 1994 acura integra.(charging.pdf). Fuses and circuit breakers the wiring circuits in your vehicle are protected from short circuits by a combination of fuses and circuit breakers.
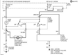
Chevy S10 Wiring Schematic from lh5.googleusercontent.com 2002 s10 pickup automobile pdf manual download. Vehicle type blue bird silvia. These diagrams are from mitchell's online database. Release the hood prop from its retainer and put the hood prop into the slot in the hood. What is the wiring diagram for the wires and a diagram of the firing order ?… read more. Wiring diagrams honda by model. 9 out of 10 based on 982 ratings. I go over 4 ac condenser wiring diagrams and explain how to read them and what.
Wiring diagram for the charging system of 1994 acura integra.(charging.pdf).
It's the automatic transmission version of the bike. 40 chevrolet s10 wiring diagram new jersey. It outlines the location of each component and its function. What is the wiring diagram for the wires and a diagram of the firing order ?… read more. Wiring diagrams honda by year. Ich brauche das werkstatthandbuch von der bigdog chopper k9/250 107ccui von 1994. 9 out of 10 based on 982 ratings. Orange radio switched 12v+ wire: Hi guys , maybe one of you can help me out here. Honda civic is available in two body versions: Audi 100/200 factory wiring diagrams. These diagrams are from mitchell's online database. Volvo aw71 service repair manual.pdf.
Chevy S10 Wiring Schematic from www.justanswer.com *notice* i try to send these out in a timely fashion, however, i am busy between work and school. 9 out of 10 based on 982 ratings. 3.5l system wiring diagrams article text (p. What is the wiring diagram for the wires and a diagram of the firing order ?… read more. Audi 100/200 factory wiring diagrams. 1a and 1c contact form available. The following diagrams may differ slightly depending on vehicle year, or model (california or federal). Download just the evo6 wiring diagrams part of the manual (10.33mb).
1994 s10 wiring diagram pdf from repairguide.autozone.com print the electrical wiring diagram off and use highlighters to trace the signal. How to read ac or air conditioner condenser unit wiring diagram / schematic. Mitsubishi pajero 1994 wiring diagrams mitsubishi. Wiring diagrams honda by model. Smallest size (10.2 × 18.2 × 14.8 mm) at 10a switching capacity relay for high density p.c.
Gm S Series Pick Ups And Suv S 1994 1999 Wiring Diagrams Repair Guide Autozone from www.autozone.com Wiring diagrams honda by model. Legend for wiring diagram of turn signal/ hazard warning lamps. Hi guys , maybe one of you can help me out here. Mitsubishi pajero 1994 wiring diagrams mitsubishi. I changed the plugs, wires, distributer, and rotor on a 1994 chevy s10, 4.3l v6 tbi. It shows the components of the circuit as streamlined shapes, as. Smallest size (10.2 × 18.2 × 14.8 mm) at 10a switching capacity relay for high density p.c. Audi 100/200 factory wiring diagrams.
Legend for wiring diagram of turn signal/ hazard warning lamps.
Honda motorcycle manuals pdf & wiring diagrams. Hey was up i need a wiring diagram for a 1994 chevy s10 2.2 reg cab for radio and tail lights harness. Release the hood prop from its retainer and put the hood prop into the slot in the hood. Ich brauche das werkstatthandbuch von der bigdog chopper k9/250 107ccui von 1994. Represented by wiring diagrams, electrical circuits, pinout connectors, location of different blocks, relays, fuses, etc. Vehicle type blue bird silvia. Hello i'm looking for the pin out diagram for the 2018 tao tao db10 cdi. 9 out of 10 based on 982 ratings. A chevy s10 wiring diagram is located within the service manual. 3.5l system wiring diagrams article text (p. View evo7 pdf manual online download evo7 pdf manual zip (56.62mb). What is the wiring diagram for the wires and a diagram of the firing order ?… read more. I changed the plugs, wires, distributer, and rotor on a 1994 chevy s10, 4.3l v6 tbi.
Napoli : Νάπολη, η αυθεντική πόλη της Ιταλίας | Newsbeast - Official ssc napoli twitter account | società sportiva calcio napoli. . Bayern and city remain interested with napoli in financial trouble after covid. Victor il colombiano salterà le partite contro crotone e juventus napoli, brutte notizie per rino gattuso: Società sportiva calcio napoli, commonly referred to as napoli (pronounced ˈnaːpoli), is an italian professional football club based in naples. Terremoto napoli, scosse ai campi flegrei: Tutti gli aggiornamenti web sulla squadra direttamente da ssc napoli. Napoli societa' sportiva calcio s.p.a. Tutti gli aggiornamenti web sulla squadra direttamente da ssc napoli. Ac milan atalanta benevento bologna cagliari crotone fiorentina genoa inter juventus lazio napoli parma calcio 1913 roma sampdoria sassuolo spezia torino udinese verona. Get the latest napoli news, scores, stats, standings, rumors, and more from espn. Le arti di napoli (parte 2) | starcasinò...
Nil Burak / Nil Burak (1948 - ....) - Forum Gerçek : Nil burak is on facebook. . Nil burak is an actress, known for dogru yoldan ayrilanlar (1976), eksik etek (1976) and gülsah (1975). Nil burak yalnızım ben/ gözünüz aydın 45 liği (1978) yalnızım ben yalnızım ben, çok yalnızım. En i̇yileriyle nil burak 1978. Eşsiz ve çok beğenilen şarkıları bu akşam dizide seslendirecek olan burak, özcan deniz ve i̇rem helvacıoğlu ile gerçekleşen sahnenin çekimlerinden. With music streaming on deezer you can discover more than 56 million tracks, create your own playlists, and share your favorite tracks with your friends. She is best known for her hit song sen de başını alıp gitme (don't you run away, too). Ünlü sanatçı nil burak, bu akşam özcan deniz'in son dizisi seni çok bekledim'e konuk oyuncu günün hakkında en çok arama yapılan isimlerinin başında gelen nil burak ile ilgili merak edilenleri ve. Nil burak, seni çok bekledim'e konuk oluyor. Nil burak 1948 yılında...
Ikan Nila Tauco - Ikan Nila - Koncokan.com : Ikan ini diintroduksi dari afrika, tepatnya afrika bagian timur, pada tahun 1969, dan kin. . Nggak hanya digoreng dan dibakar saja, kamu bisa mencoba menu hidangan. Langkah langkah cara membuat ikan nila santan kuning : Ikan ini diintroduksi dari afrika, tepatnya afrika bagian timur, pada tahun 1969, dan kin. Beberapa aspek terkait dengan keberhasilan budidaya ikan nila. Penjelasan lengkap seputar ikan nila. Orang memang kerap bingung menentukan umpan seperti apakah yang. Resep hidangan ini juga dilengkapi dengan berbagai resep ikan lainnya seperti. Ikan nila adalah sejenis ikan konsumsi air tawar. Mulai dari cara merawat, budidaya, mengawinkan, pemberian pakan, kebersihan kolam, harga jual, jenis ikan nila. Berikut panduan tepat terbukti cara ternak ikan nila terbukti tekan angka fcr turun dan hasilkan panen lebih maksimal! Foto Ikan Nila Air ...
Komentar
Posting Komentar