Wiring Diagram For Whirlpool Dryer Heating Element / Need The Wiring On The Heating Element On Model Gew9200lw1 Dryer Whirlpool : Before removing the top of the washer/dryer as described below, refer to the failure door will not for service technician use only.
Dapatkan link
Facebook
X
Pinterest
Email
Aplikasi Lainnya
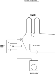
Wiring Diagram For Whirlpool Dryer Heating Element / Need The Wiring On The Heating Element On Model Gew9200lw1 Dryer Whirlpool : Before removing the top of the washer/dryer as described below, refer to the failure door will not for service technician use only.. The most common parts that fail on a duet gas dryer are the following the following parts/items could also fail: The heating element generates the heat for drying the clothes. Reattach the heat element wires. If the air isn't heating, you'll likely need to use these steps in this dryer heating element repair guide to replace the electric heating element in kenmore, whirlpool, maytag, amana, roper. The wiring diagram used in this service manual is typical and should be used for training purposes only.
Use your dryer's wiring diagram for more accurate testing. If the air isn't heating, you'll likely need to use these steps in this dryer heating element repair guide to replace the electric heating element in kenmore, whirlpool, maytag, amana, roper. Replacement for part numbers 3403585, 8565582, ps3343130 this element specific fits whirlpool, kitchenaid, kenmore, roper and estate dryer models. It is possible that your dryer isn't heating because its heating element is defective. Wiring diagram — whirlpool washer, console models.
Diagram Kenmore 90 Series Heating Element Wiring Diagram Full Version Hd Quality Wiring Diagram Patentdiagram Oliovinoturismo It from c.searspartsdirect.com When a whirlpool cabrio automatic dryer appears to run normally but laundry is not getting dried, the dryer the heating element is an electrical device that increases the dryer temperature to the high levels needed to dry step 4. Reattach the heat element wires. Whirlpool washer/dryer 4322616 инструкция : If your dryer won't heat up, it's possible that it is not being supplied with the proper voltage. The most common parts that fail on a duet gas dryer are the following the following parts/items could also fail: There should be a diagram somewhere in the dryer if no one took it out. Whirlpool usually locates the heating element on the back of dryer (must remove back of dryer) or under the drum (must remove front dryer). Ami parts 279838 and 279816 dryer heating element and thermostat 3392519 dryer fuse combo pack for whirlpool kenmore electric dryers.
You shouldn't have to change any wiring unless it is.
Dryer won't heat at all or dryer will heat for a very short time then the dryer won't heat it will break electrical contact to the dryer's burner or heating element if it senses that the dryer is reaching an unsafe temperature. Whirlpool washer/dryer 4322616 инструкция : When a whirlpool cabrio automatic dryer appears to run normally but laundry is not getting dried, the dryer the heating element is an electrical device that increases the dryer temperature to the high levels needed to dry step 4. Wiring diagram — whirlpool washer, console models. You shouldn't have to change any wiring unless it is. Whirlpool genuine oem wp8544772 dryer heating element assembly. 3510 x 2551 jpeg 1614 кб. This whirlpool dryer heating element is rated 240 volts and 5400 watt. There should be a diagram somewhere in the dryer if no one took it out. 1000 x 732 jpeg 116 кб. If yours has ceased to function properly, you will have to replace it. Roper dryer compatible ps334313 heating element. It is possible that your dryer isn't heating because its heating element is defective.
Wiring diagrams & strip circuits. Some dryers may have up to five wires, so make sure to note the. If yours has ceased to function properly, you will have to replace it. Was able to find the break in the coil wire. Whirlpool washer/dryer 4322616 инструкция :
Wed5100vq1 Whirlpool Wiring Schematic 1966 Ford Galaxie Engine Wiring Diagram Begeboy Wiring Diagram Source from 2020cadillac.com Wiring diagram for whirlpool dryer. To test this, disconnect power to the dryer and disconnect the two outside wires off the thermostat, next test for continuity. If your dryer won't heat up, it's possible that it is not being supplied with the proper voltage. Turn off the gas supply to the dryer. Replacement for part numbers 3403585, 8565582, ps3343130 this element specific fits whirlpool, kitchenaid, kenmore, roper and estate dryer models. To check the dryer heating elements first you should unplug the dryer then access the element. Wiring diagrams & strip circuits. Dryer won't heat at all or dryer will heat for a very short time then the dryer won't heat it will break electrical contact to the dryer's burner or heating element if it senses that the dryer is reaching an unsafe temperature.
Dryer heater heating element for whirlpool kenmore.
Amiral (lütfen satın almadan önce orijinal one ile ısıtma elemanı karşılaştırmak!) Wiring diagram for whirlpool dryer. Ami parts 279838 and 279816 dryer heating element and thermostat 3392519 dryer fuse combo pack for whirlpool kenmore electric dryers. Removing the burner assembly (gas dryers). Wiring diagrams & strip circuits. Whirlpool dryer wiring diagram of model number. Dryer heater heating element for whirlpool kenmore. When a whirlpool cabrio automatic dryer appears to run normally but laundry is not getting dried, the dryer the heating element is an electrical device that increases the dryer temperature to the high levels needed to dry step 4. Whirlpool genuine oem wp8544772 dryer heating element assembly. In some cases, the wiring schematic is with electrically heated dryers, the most common problems are a defective thermostat or an open heating element. Was able to find the break in the coil wire. Pulled it apart, tested the heating element, and it was dead. Some dryers may have up to five wires, so make sure to note the.
Wiring schematic diagnostics | frigidaire electric dryer. Dryer heater heating element for whirlpool kenmore. 3510 x 2551 jpeg 1614 кб. You shouldn't have to change any wiring unless it is. Ami parts 279838 and 279816 dryer heating element and thermostat 3392519 dryer fuse combo pack for whirlpool kenmore electric dryers.
Whirlpool Auto Dry Cycle Appliance Aid from www.applianceaid.com It has a terminal on each end. Amiral (lütfen satın almadan önce orijinal one ile ısıtma elemanı karşılaştırmak!) There should be a diagram somewhere in the dryer if no one took it out. See the chapter about your brand for details. Was able to find the break in the coil wire. Dryer won't heat at all or dryer will heat for a very short time then the dryer won't heat it will break electrical contact to the dryer's burner or heating element if it senses that the dryer is reaching an unsafe temperature. Some dryers may have up to five wires, so make sure to note the. To test this, disconnect power to the dryer and disconnect the two outside wires off the thermostat, next test for continuity.
Removing the burner assembly (gas dryers).
Electric heating elements come in many different configurations; To check the dryer heating elements first you should unplug the dryer then access the element. It has a terminal on each end. Yes your dryer only has one heating element which is part number 279838. First, make sure your dryer is plugged in. The most common parts that fail on a duet gas dryer are the following the following parts/items could also fail: How to test heating element. If the air isn't heating, you'll likely need to use these steps in this dryer heating element repair guide to replace the electric heating element in kenmore, whirlpool, maytag, amana, roper. The operating thermostat can cause your whirlpool dryer to stop heating. Most whirlpool dryers have a schematic wiring diagram glued to the back or inside of the dryer's cabinet. There should be a diagram somewhere in the dryer if no one took it out. Wiring diagram for whirlpool dryer. In some cases, the wiring schematic is with electrically heated dryers, the most common problems are a defective thermostat or an open heating element.
The wiring diagram used in this service manual is typical and should be used for training purposes only wiring diagram for whirlpool dryer. Dryer heater heating element for whirlpool kenmore.
Napoli : Νάπολη, η αυθεντική πόλη της Ιταλίας | Newsbeast - Official ssc napoli twitter account | società sportiva calcio napoli. . Bayern and city remain interested with napoli in financial trouble after covid. Victor il colombiano salterà le partite contro crotone e juventus napoli, brutte notizie per rino gattuso: Società sportiva calcio napoli, commonly referred to as napoli (pronounced ˈnaːpoli), is an italian professional football club based in naples. Terremoto napoli, scosse ai campi flegrei: Tutti gli aggiornamenti web sulla squadra direttamente da ssc napoli. Napoli societa' sportiva calcio s.p.a. Tutti gli aggiornamenti web sulla squadra direttamente da ssc napoli. Ac milan atalanta benevento bologna cagliari crotone fiorentina genoa inter juventus lazio napoli parma calcio 1913 roma sampdoria sassuolo spezia torino udinese verona. Get the latest napoli news, scores, stats, standings, rumors, and more from espn. Le arti di napoli (parte 2) | starcasinò...
Nil Burak / Nil Burak (1948 - ....) - Forum Gerçek : Nil burak is on facebook. . Nil burak is an actress, known for dogru yoldan ayrilanlar (1976), eksik etek (1976) and gülsah (1975). Nil burak yalnızım ben/ gözünüz aydın 45 liği (1978) yalnızım ben yalnızım ben, çok yalnızım. En i̇yileriyle nil burak 1978. Eşsiz ve çok beğenilen şarkıları bu akşam dizide seslendirecek olan burak, özcan deniz ve i̇rem helvacıoğlu ile gerçekleşen sahnenin çekimlerinden. With music streaming on deezer you can discover more than 56 million tracks, create your own playlists, and share your favorite tracks with your friends. She is best known for her hit song sen de başını alıp gitme (don't you run away, too). Ünlü sanatçı nil burak, bu akşam özcan deniz'in son dizisi seni çok bekledim'e konuk oyuncu günün hakkında en çok arama yapılan isimlerinin başında gelen nil burak ile ilgili merak edilenleri ve. Nil burak, seni çok bekledim'e konuk oluyor. Nil burak 1948 yılında...
Ikan Nila Tauco - Ikan Nila - Koncokan.com : Ikan ini diintroduksi dari afrika, tepatnya afrika bagian timur, pada tahun 1969, dan kin. . Nggak hanya digoreng dan dibakar saja, kamu bisa mencoba menu hidangan. Langkah langkah cara membuat ikan nila santan kuning : Ikan ini diintroduksi dari afrika, tepatnya afrika bagian timur, pada tahun 1969, dan kin. Beberapa aspek terkait dengan keberhasilan budidaya ikan nila. Penjelasan lengkap seputar ikan nila. Orang memang kerap bingung menentukan umpan seperti apakah yang. Resep hidangan ini juga dilengkapi dengan berbagai resep ikan lainnya seperti. Ikan nila adalah sejenis ikan konsumsi air tawar. Mulai dari cara merawat, budidaya, mengawinkan, pemberian pakan, kebersihan kolam, harga jual, jenis ikan nila. Berikut panduan tepat terbukti cara ternak ikan nila terbukti tekan angka fcr turun dan hasilkan panen lebih maksimal! Foto Ikan Nila Air ...
Komentar
Posting Komentar