Tail Light Wiring Diagram Ford F150 : Ford Brake Light Wiring Diagram Wiring Diagram Cycle Centre Cycle Centre Leoracing It : I've searched high and low for a wiring diagram to hard wire an under tailgate led light strip.
Dapatkan link
Facebook
X
Pinterest
Email
Aplikasi Lainnya
Tail Light Wiring Diagram Ford F150 : Ford Brake Light Wiring Diagram Wiring Diagram Cycle Centre Cycle Centre Leoracing It : I've searched high and low for a wiring diagram to hard wire an under tailgate led light strip.. In imitation of a few with ease. Page 18 controls and features the daytime running light (drl) system will not illuminate the tail lamps and. 2008 ford f150 fuse diagram central junction box.jpg. Most of the wiring diagrams posted on this page are scans of original ford diagrams, not aftermarket reproductions. For f150s with base taillights only:
A wide variety of tail lights ford f150 options are available to you, such as rated power, voltage, and car fitment. Some of the other bulbs in the tail light cluster such as the brake light or turn signal may also. Just put a pig tail on it and plug it into your trailer lights. Page 18 controls and features the daytime running light (drl) system will not illuminate the tail lamps and. I've searched high and low for a wiring diagram to hard wire an under tailgate led light strip.
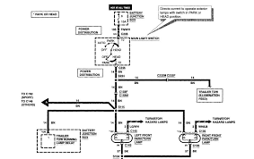
86 F150 Tail Light Wiring Diagram Wiring Diagram Cycle Activity A Cycle Activity A Miceincampania It from i.pinimg.com Still we are missing the earlier generations of f150, because this f150 stereo wiring guide starts at the seventh gen f150. Some of the other bulbs in the tail light cluster such as the brake light or turn signal may also. Does anyone know of a wiring diagram for this harness to take out the guess work of hoping the colors are right? Body control modules wiring diagram (3 of 3) for ford pickup f150 2009. Trailer plug wiring diagram, ford f 150 trailer hitch wiring diagram, people understand that trailer is a vehicle comprised of quite complicated mechanics. These were scanned and posted as very large files, to preserve their readability. Looking for a wiring diagram and instructions that will help me install 12v bed lights in the bed of my 2008 f150 lariat. Can you please send me the wiring diagram for a 1996 ford f150 xlt with airconditioning and power windows and doors.
Free ford wiring diagrams for your car or truck engine, electrical system, troubleshooting, schematics, free ford wiring diagrams.
If you have difficulty reading the codes i rear lights, brake lights, turn signals, reverse lights and hazards not working. Brake light bulb # 4057, rear turn signal # 4057 and reverse light # 921. Just put a pig tail on it and plug it into your trailer lights. On models without a dome light delay use orange/lt. 1997 ford f 150 wiring diagrams schematic f150 diagram ignition switch 4 wheel drive for 97 90 radio stereo chassis with a 6 lit motor free power window 1999 speaker wire 2002 full 2008 f250 starting 350 2007 wrg 1641 fuse 2018 hd harness похожие запросы для ford f150 wire harness diagrams. The 1969 diagrams and all others marked with a red asterisk (*) were sent. I've searched high and low for a wiring diagram to hard wire an under tailgate led light strip. Does anyone know of a wiring diagram for this harness to take out the guess work of hoping the colors are right? Cigar lighter power point 1. Body control modules wiring diagram (3 of 3) for ford pickup f150 2009. You can also get a diagram at most auto parts or major book stores. Mike, ford f150 relay for electric windows, position 401 in fuse box, some forums say relay in position r02 may be tied in with pwr win., maybe check fuse 22 position also, actually for all the time it takes probe all the fuses with test light or dvom, as ford may have pwr window delay or something like. You can get a dome light wiring diagram for the f150 from your local ford dealership.
On models without a dome light delay use orange/lt. The service manual is available from ford. Some of the other bulbs in the tail light cluster such as the brake light or turn signal may also. The ford f150 has enjoyed a long production run, and our guide is as comprehensive as it gets. Brake light bulb # 4057, rear turn signal # 4057 and reverse light # 921.
Diagram 51 Ford Tail Light Wiring Diagram Full Version Hd Quality Wiring Diagram Gwendiagram Piacenziano It from wholefoodsonabudget.com These were scanned and posted as very large files, to preserve their readability. If you have difficulty reading the codes i rear lights, brake lights, turn signals, reverse lights and hazards not working. I've searched high and low for a wiring diagram to hard wire an under tailgate led light strip. One good thing to know is that it's relatively easy to find a ford f150 tail light wiring diagram online as well as internet resources such as videos to guide you through the replacement process. 1997 ford f 150 wiring diagrams schematic f150 diagram ignition switch 4 wheel drive for 97 90 radio stereo chassis with a 6 lit motor free power window 1999 speaker wire 2002 full 2008 f250 starting 350 2007 wrg 1641 fuse 2018 hd harness похожие запросы для ford f150 wire harness diagrams. The tail lights are different between the 2 trucks so i had to make a taillight harness from the parts truck harness to fit my flare side. *6 arms when locked with the door open. Mike, ford f150 relay for electric windows, position 401 in fuse box, some forums say relay in position r02 may be tied in with pwr win., maybe check fuse 22 position also, actually for all the time it takes probe all the fuses with test light or dvom, as ford may have pwr window delay or something like.
Ground is not solid black, but black/green.
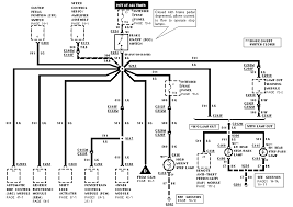
All wiring diagrams for ford pickup f150 2009. The foglamps can be turned on only when the headlamps are in the position. These taillights will only fit f150s with base incandescent taillights, and will not f150s with led taillights or those equipped with ford's blis blind spot system. Buy ford f150 led tail lights for replacement online at the best prices. One good thing to know is that it's relatively easy to find a ford f150 tail light wiring diagram online as well as internet resources such as videos to guide you through the replacement process. Ground is not solid black, but black/green. Looking for wiring diagram for 2001 ford f150 to install a remote starter on my truck. Looking for a wiring diagram and instructions that will help me install 12v bed lights in the bed of my 2008 f150 lariat. The 1969 diagrams and all others marked with a red asterisk (*) were sent. For f150s with base taillights only: On models without a dome light delay use orange/lt. You can get a dome light wiring diagram for the f150 from your local ford dealership. They include wiring diagrams and technical service bulletins.
Ground is not solid black, but black/green. Body control modules wiring diagram (3 of 3) for ford pickup f150 2009. The 1969 diagrams and all others marked with a red asterisk (*) were sent. Attaching a copy of the tail light wiring diagram for 2010 f 150. All wiring diagrams for ford pickup f150 2009.
86 F150 Tail Light Wiring Diagram Wiring Diagram Cycle Activity A Cycle Activity A Miceincampania It from static-assets.imageservice.cloud I've searched high and low for a wiring diagram to hard wire an under tailgate led light strip. You can get a dome light wiring diagram for the f150 from your local ford dealership. In imitation of a few with ease. 2008 ford f150 fuse diagram central junction box.jpg. This 2008 ford f150 fuse diagram shows a central junction box located in the passenger compartment fuse panel located under the dash and a relay box under the hood. Many people are scared of electricity because they helpfully pull off not know ample not quite electricity or how it functions. Body control modules wiring diagram (3 of 3) for ford pickup f150 2009. Does anyone know of a wiring diagram for this harness to take out the guess work of hoping the colors are right?
Looking for a wiring diagram and instructions that will help me install 12v bed lights in the bed of my 2008 f150 lariat.
Does anyone know of a wiring diagram for this harness to take out the guess work of hoping the colors are right? You can also get a diagram at most auto parts or major book stores. The foglamps can be turned on only when the headlamps are in the position. Free ford wiring diagrams for your car or truck engine, electrical system, troubleshooting, schematics, free ford wiring diagrams. The 1969 diagrams and all others marked with a red asterisk (*) were sent. Looking for wiring diagram for 2001 ford f150 to install a remote starter on my truck. Most of the wiring diagrams posted on this page are scans of original ford diagrams, not aftermarket reproductions. Trailer plug wiring diagram, ford f 150 trailer hitch wiring diagram, people understand that trailer is a vehicle comprised of quite complicated mechanics. Looking for a wiring diagram and instructions that will help me install 12v bed lights in the bed of my 2008 f150 lariat. Attaching a copy of the tail light wiring diagram for 2010 f 150. This generation starts in 1980 and we show you the wiring diagrams for all the. These were scanned and posted as very large files, to preserve their readability. 1997 ford f 150 wiring diagrams schematic f150 diagram ignition switch 4 wheel drive for 97 90 radio stereo chassis with a 6 lit motor free power window 1999 speaker wire 2002 full 2008 f250 starting 350 2007 wrg 1641 fuse 2018 hd harness похожие запросы для ford f150 wire harness diagrams.
Free ford wiring diagrams for your car or truck engine, electrical system, troubleshooting, schematics, free ford wiring diagrams tail light wiring diagram. Some of the other bulbs in the tail light cluster such as the brake light or turn signal may also.
Napoli : Νάπολη, η αυθεντική πόλη της Ιταλίας | Newsbeast - Official ssc napoli twitter account | società sportiva calcio napoli. . Bayern and city remain interested with napoli in financial trouble after covid. Victor il colombiano salterà le partite contro crotone e juventus napoli, brutte notizie per rino gattuso: Società sportiva calcio napoli, commonly referred to as napoli (pronounced ˈnaːpoli), is an italian professional football club based in naples. Terremoto napoli, scosse ai campi flegrei: Tutti gli aggiornamenti web sulla squadra direttamente da ssc napoli. Napoli societa' sportiva calcio s.p.a. Tutti gli aggiornamenti web sulla squadra direttamente da ssc napoli. Ac milan atalanta benevento bologna cagliari crotone fiorentina genoa inter juventus lazio napoli parma calcio 1913 roma sampdoria sassuolo spezia torino udinese verona. Get the latest napoli news, scores, stats, standings, rumors, and more from espn. Le arti di napoli (parte 2) | starcasinò...
Nil Burak / Nil Burak (1948 - ....) - Forum Gerçek : Nil burak is on facebook. . Nil burak is an actress, known for dogru yoldan ayrilanlar (1976), eksik etek (1976) and gülsah (1975). Nil burak yalnızım ben/ gözünüz aydın 45 liği (1978) yalnızım ben yalnızım ben, çok yalnızım. En i̇yileriyle nil burak 1978. Eşsiz ve çok beğenilen şarkıları bu akşam dizide seslendirecek olan burak, özcan deniz ve i̇rem helvacıoğlu ile gerçekleşen sahnenin çekimlerinden. With music streaming on deezer you can discover more than 56 million tracks, create your own playlists, and share your favorite tracks with your friends. She is best known for her hit song sen de başını alıp gitme (don't you run away, too). Ünlü sanatçı nil burak, bu akşam özcan deniz'in son dizisi seni çok bekledim'e konuk oyuncu günün hakkında en çok arama yapılan isimlerinin başında gelen nil burak ile ilgili merak edilenleri ve. Nil burak, seni çok bekledim'e konuk oluyor. Nil burak 1948 yılında...
Ikan Nila Tauco - Ikan Nila - Koncokan.com : Ikan ini diintroduksi dari afrika, tepatnya afrika bagian timur, pada tahun 1969, dan kin. . Nggak hanya digoreng dan dibakar saja, kamu bisa mencoba menu hidangan. Langkah langkah cara membuat ikan nila santan kuning : Ikan ini diintroduksi dari afrika, tepatnya afrika bagian timur, pada tahun 1969, dan kin. Beberapa aspek terkait dengan keberhasilan budidaya ikan nila. Penjelasan lengkap seputar ikan nila. Orang memang kerap bingung menentukan umpan seperti apakah yang. Resep hidangan ini juga dilengkapi dengan berbagai resep ikan lainnya seperti. Ikan nila adalah sejenis ikan konsumsi air tawar. Mulai dari cara merawat, budidaya, mengawinkan, pemberian pakan, kebersihan kolam, harga jual, jenis ikan nila. Berikut panduan tepat terbukti cara ternak ikan nila terbukti tekan angka fcr turun dan hasilkan panen lebih maksimal! Foto Ikan Nila Air ...
Komentar
Posting Komentar