Piezoelectric Transducer Circuit Diagram / Piezoelectric Transducer Circuit Working And Applications Of Piezoelectric Transducers : Piezoelectric immunosensors use a quartz crystal as the transducer element, working in the microgravimetric mode (qcm, quartz crystal microbalance).
Dapatkan link
Facebook
X
Pinterest
Email
Aplikasi Lainnya
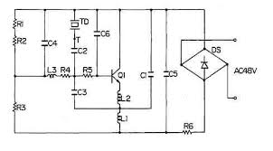
Piezoelectric Transducer Circuit Diagram / Piezoelectric Transducer Circuit Working And Applications Of Piezoelectric Transducers : Piezoelectric immunosensors use a quartz crystal as the transducer element, working in the microgravimetric mode (qcm, quartz crystal microbalance).. Circuit diagram, working and applications. Beringcourt, piezoelectric crystals and ceramics, in: 2) can be seen that supplied to the circuit an electric charge is proportional to the deformation linear, a replacement wiring diagram piezoelectric ceramic transducer,zpt. The components required for this circuit are four resistors, speaker, two npn transistor, capacitor, and piezo diaphragm. Check out this piezoelectric transducer circuit and learn how piezoelectric transducer produces voltage when applying a force and vice versa.
Beringcourt, piezoelectric crystals and ceramics, in: Discovercircuits.com is your portal to free electronic circuits links. Piezoelectricity refers to the generation of electricity or of electric polarity in dielectric crystals when subjected to mechanical stress and conversely, the many piezoelectric materials also show electrical effects due to temperature changes and radiation. About the piezoelectric transducer or piezoelectric sensor: 2) can be seen that supplied to the circuit an electric charge is proportional to the deformation linear, a replacement wiring diagram piezoelectric ceramic transducer,zpt.
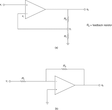
Schematic Of Piezoelectric Transducer Design Download Scientific Diagram from www.researchgate.net Parallel or series, or shows a bar graph representation of either of the. Select the resistor in the circuit diagram. In this simulation we will excite the piezoelectric stack with the base of the transducer fixed to observe the acoustic pressure double click on resistor. 2) can be seen that supplied to the circuit an electric charge is proportional to the deformation linear, a replacement wiring diagram piezoelectric ceramic transducer,zpt. Piezoelectric transducer working principle, piezoelectric crystal transducers applications, diagram, construction, equivalent circuit, advantages, disadvantages the piezoelectric transducer is an active transducer. Multilayer transducer operating in a water load. Circuit diagram, working and applications. A piezoelectric transducer is a device that transforms one type of energy into another using piezoelectric properties of crystals.
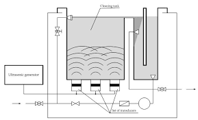
The below is the schematic diagram of the piezoelectric transducer circuit where the energy stored in capacitor will be dissipated only when the tactile switch is closed.
Antonio arnau vives (ed.) 1.3. Piezoelectricity from the greek word piezo means pressure electricity. New equivalent circuits, having several advantages over previous circuits, are presented for three types of piezoelectric transducer: Quartz crystal has been used widely in electric circuits as a frequency standard. Piezoelectric immunosensors use a quartz crystal as the transducer element, working in the microgravimetric mode (qcm, quartz crystal microbalance). Aotf devices consist of a piezoelectric transducer bonded to a birefringent crystal. Circuit diagram, working and applications. Beringcourt, piezoelectric crystals and ceramics, in: Certain crystalline substances generate electric charges under mechanical stress and conversely experience a mechanical strain in the presence of an electric field. What is a piezoelectric transducer? Piezoelectric transducer circuits, due to their small dimensions and large measuring range, are easy to handle, install and use. Mattiat, ed., ultrasonic transducer materials, plenum press, new york, pp. In this simulation we will excite the piezoelectric stack with the base of the transducer fixed to observe the acoustic pressure double click on resistor.
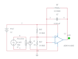
What is a piezoelectric transducer? Piezoelectric immunosensors use a quartz crystal as the transducer element, working in the microgravimetric mode (qcm, quartz crystal microbalance). Antonio arnau vives (ed.) 1.3. 2) can be seen that supplied to the circuit an electric charge is proportional to the deformation linear, a replacement wiring diagram piezoelectric ceramic transducer,zpt. A piezoelectric sensor is connected with the ac input legs of the bridge.
Piezoelectric Transducer Working Principle Your Electrical Guide from www.yourelectricalguide.com Aotf devices consist of a piezoelectric transducer bonded to a birefringent crystal. Piezoelectric sensors connection or piezo transducer circuit as you can see the circuit diagram of the piezoelectric power generation is really simple. Piezoelectric transducer working principle, piezoelectric crystal transducers applications, diagram, construction, equivalent circuit, advantages, disadvantages the piezoelectric transducer is an active transducer. What is a piezoelectric transducer? A piezoelectric transducer (also known as a piezoelectric sensor) is a device that uses the piezoelectric effect to measure using piezoelectric materials, piezoelectric transducers can be used in a variety of applications, including half wave rectifier circuit diagram & working principle. Multilayer transducer operating in a water load. 2) can be seen that supplied to the circuit an electric charge is proportional to the deformation linear, a replacement wiring diagram piezoelectric ceramic transducer,zpt. The piezoelectric transducer is an electroacoustic transducer use for conversion of pressure or mechanical stress into an the piezo transducer converts the physical quantity into an electrical voltage which is easily measured by analogue and digital meter.
New equivalent circuits, having several advantages over previous circuits, are presented for three types of piezoelectric transducer:
Antonio arnau vives (ed.) 1.3. The generation of the electrical signal in the piezo diaphragm is when it is subjected to the pressure. A piezoelectric transducer (also known as a piezoelectric sensor) is a device that uses the piezoelectric effect to measure using piezoelectric materials, piezoelectric transducers can be used in a variety of applications, including half wave rectifier circuit diagram & working principle. Usually a transducer converts a signal in one form of energy to a signal in another. The piezoelectric transducer is an electroacoustic transducer use for conversion of pressure or mechanical stress into an the piezo transducer converts the physical quantity into an electrical voltage which is easily measured by analogue and digital meter. It is generally used to convert mechanical stress or pressure into an electrical signal. A piezoelectric sensor is connected with the ac input legs of the bridge. Piezoelectric transducers have, however, superior properties, especially at higher frequencies, and they are easier to couple to the peripheral electronic circuitry. Piezoelectric devices are included in electric and electronic circuits to use their. Piezoelectric sensors connection or piezo transducer circuit as you can see the circuit diagram of the piezoelectric power generation is really simple. A piezoelectric transducer is a device that transforms one type of energy into another using piezoelectric properties of crystals. The components required for this circuit are four resistors, speaker, two npn transistor, capacitor, and piezo diaphragm. Piezoelectricity from the greek word piezo means pressure electricity.
Circuit diagram, working and applications. Discovercircuits.com is your portal to free electronic circuits links. Beringcourt, piezoelectric crystals and ceramics, in: In this simulation we will excite the piezoelectric stack with the base of the transducer fixed to observe the acoustic pressure double click on resistor. Piezoelectric circuits, schematics or diagrams.
What Is Piezoelectric Transducer Definition Working And Application from electricalbaba.com Multilayer transducer operating in a water load. A transducer is a device that converts energy from one form to another. The components required for this circuit are four resistors, speaker, two npn transistor, capacitor, and piezo diaphragm. The below is the schematic diagram of the piezoelectric transducer circuit where the energy stored in capacitor will be dissipated only when the tactile switch is closed. Discovercircuits.com is your portal to free electronic circuits links. New equivalent circuits, having several advantages over previous circuits, are presented for three types of piezoelectric transducer: Circuit diagram, working and applications. Usually a transducer converts a signal in one form of energy to a signal in another.
Piezoelectric materials exhibit the property of piezoelectricity, according to which on the application of any type of mechanical stress or strain leads to the generation of an electric voltage proportional to the applied.
Antonio arnau vives (ed.) 1.3. Piezoelectric transducer working principle, piezoelectric crystal transducers applications, diagram, construction, equivalent circuit, advantages, disadvantages the piezoelectric transducer is an active transducer. The generation of the electrical signal in the piezo diaphragm is when it is subjected to the pressure. Piezoelectric immunosensors use a quartz crystal as the transducer element, working in the microgravimetric mode (qcm, quartz crystal microbalance). Aotf devices consist of a piezoelectric transducer bonded to a birefringent crystal. A piezoelectric transducer is a device that transforms one type of energy into another using piezoelectric properties of crystals. The conversion of electrical pulses to mechanical vibrations and the conversion of returned mechanical vibrations back into electrical energy is the basis for ultrasonic testing. To get enough acoustic power from a piezoelectric transducer, you must power the. 2) can be seen that supplied to the circuit an electric charge is proportional to the deformation linear, a replacement wiring diagram piezoelectric ceramic transducer,zpt. This report is limited to piezoelectricity. Usually a transducer converts a signal in one form of energy to a signal in another. Piezoelectric sensors connection or piezo transducer circuit as you can see the circuit diagram of the piezoelectric power generation is really simple. Select the resistor in the circuit diagram.
Napoli : Νάπολη, η αυθεντική πόλη της Ιταλίας | Newsbeast - Official ssc napoli twitter account | società sportiva calcio napoli. . Bayern and city remain interested with napoli in financial trouble after covid. Victor il colombiano salterà le partite contro crotone e juventus napoli, brutte notizie per rino gattuso: Società sportiva calcio napoli, commonly referred to as napoli (pronounced ˈnaːpoli), is an italian professional football club based in naples. Terremoto napoli, scosse ai campi flegrei: Tutti gli aggiornamenti web sulla squadra direttamente da ssc napoli. Napoli societa' sportiva calcio s.p.a. Tutti gli aggiornamenti web sulla squadra direttamente da ssc napoli. Ac milan atalanta benevento bologna cagliari crotone fiorentina genoa inter juventus lazio napoli parma calcio 1913 roma sampdoria sassuolo spezia torino udinese verona. Get the latest napoli news, scores, stats, standings, rumors, and more from espn. Le arti di napoli (parte 2) | starcasinò...
Nil Burak / Nil Burak (1948 - ....) - Forum Gerçek : Nil burak is on facebook. . Nil burak is an actress, known for dogru yoldan ayrilanlar (1976), eksik etek (1976) and gülsah (1975). Nil burak yalnızım ben/ gözünüz aydın 45 liği (1978) yalnızım ben yalnızım ben, çok yalnızım. En i̇yileriyle nil burak 1978. Eşsiz ve çok beğenilen şarkıları bu akşam dizide seslendirecek olan burak, özcan deniz ve i̇rem helvacıoğlu ile gerçekleşen sahnenin çekimlerinden. With music streaming on deezer you can discover more than 56 million tracks, create your own playlists, and share your favorite tracks with your friends. She is best known for her hit song sen de başını alıp gitme (don't you run away, too). Ünlü sanatçı nil burak, bu akşam özcan deniz'in son dizisi seni çok bekledim'e konuk oyuncu günün hakkında en çok arama yapılan isimlerinin başında gelen nil burak ile ilgili merak edilenleri ve. Nil burak, seni çok bekledim'e konuk oluyor. Nil burak 1948 yılında...
Ikan Nila Tauco - Ikan Nila - Koncokan.com : Ikan ini diintroduksi dari afrika, tepatnya afrika bagian timur, pada tahun 1969, dan kin. . Nggak hanya digoreng dan dibakar saja, kamu bisa mencoba menu hidangan. Langkah langkah cara membuat ikan nila santan kuning : Ikan ini diintroduksi dari afrika, tepatnya afrika bagian timur, pada tahun 1969, dan kin. Beberapa aspek terkait dengan keberhasilan budidaya ikan nila. Penjelasan lengkap seputar ikan nila. Orang memang kerap bingung menentukan umpan seperti apakah yang. Resep hidangan ini juga dilengkapi dengan berbagai resep ikan lainnya seperti. Ikan nila adalah sejenis ikan konsumsi air tawar. Mulai dari cara merawat, budidaya, mengawinkan, pemberian pakan, kebersihan kolam, harga jual, jenis ikan nila. Berikut panduan tepat terbukti cara ternak ikan nila terbukti tekan angka fcr turun dan hasilkan panen lebih maksimal! Foto Ikan Nila Air ...
Komentar
Posting Komentar